Kiskunfélegyháza

124.9 millió Ft
1 054 008 Ft/m²
Alapterület
100m2
Telek
5754 m²
Szobák
5

Prémium hitelajánlat

Önrész
info
24 980 000 Ft
+
Hitelösszeg
info
99 920 000 Ft
=
Havi törlesztő
info
776 050 Ft/hó

Eladó ház (családi ház)

Alapterület
100 m²
Telekterület
5754 m²
Erkély terület
37 m²
Tartozik hozzá kert
Van
Szobák száma
5
Fűtés
Gázkazán
Ingatlan állapota
Felújított
Építés éve
1985
Épület szintjei
Földszintes
Pince
Nincs
Tetőtér
Beépíthető
Lift
Nincs
Napelem
Nincs
Szigetelés
Van
Parkolóhely
Önálló garázs
Kilátás
Kertre néző
Légkondicionált
Igen
Tájolás
Déli
Panelprogramos
Nem

Leírás

📌Ár: 124.900.000 Ft📌
Szivos-Tóth László
☎️ 06 30 4350444
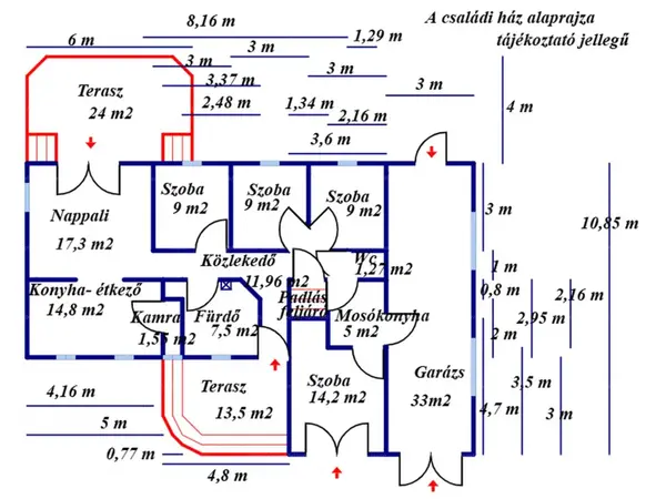
A tégla építésű szigetelt családi házban egy nappali, egy szoba, három félszoba, egy konyha-étkező, egy fürdőszoba, egy WC-helyiség, egy közlekedő, egy mosókonyha, egy kamra, két terasz és egy garázs kapott helyet. A külső nyílászárók újak, fából készültek, redőnnyel ellátottak, kiváló állapotban. A belső nyílászárók eredetiek, szintén fából készültek, jó állapotban. A tetőszerkezet fából készült, beton cseréppel ellátott, körben csatornázott.
A nappali, a konyha-étkező, a szobák, a közlekedő egy része, a kamra laminált padló-, az összes többi helyiség járólap burkolatot kapott. Az otthon melegvíz ellátását villanybojler biztosítja. A fűtés kondenzációs gázkazánnal, radiátoros hőleadással megoldott. A nappaliban hűtő-fűtő klíma biztosítja a kellemes hőmérsékletet.
A telken belül az összes közmű megtalálható. Jelenleg az áram-ellátáshoz egyfázis (1x25A) áll rendelkezésre. A háromfázisú ipari áram vezetéke kiépítve, de nincs a hálózatra bekötve. A birtok rendelkezik egy fúrt kúttal a kert locsolásához.
Az ingatlan elhelyezkedése, mérete és elosztása miatt ideális lehet nagycsaládosoknak, ipari, turisztikai és befektetési célra egyaránt.
A birtok az M5 autópálya lehajtójától 3 km-re, a város központjától 1,5 km-re, aszfaltos út mellett helyezkedik el.
A hirdetés tájékoztató jellegű, az ingatlanról pontos adatokat a megtekintést követően a tulajdonos által elmondottak alapján tudunk garantálni!
Az ingatlan jelenleg nem lakott, birtokba adás megbeszélés szerint lehetséges.
A vásárlás finanszírozásában az OTP kedvezőbb kamatozású hitelkonstrukcióival, egyéb banki termékek lehetőségével tudunk segíteni díjmentesen, sorban állás nélkül.
Az adásvételi szerződés lebonyolításához korrekt ügyvédi közreműködést tudunk ajánlani. Amennyiben felkeltettem érdeklődését, hívjon bizalommal!
Eladó ingatlanokat keresünk hazai, illetve külföldi partnereink számára!

Térkép

Kiskunfélegyháza

Bűnügyi térkép

SZIVOS-TÓTH LÁSZLÓ Referens
Telefonszám +3630435
abcd